IEC 62368-1 AC電源端口保護組件要求
在本文中,我們將詳細介紹金屬氧化物壓敏電阻(MOV)和氣體放電管(GDT)的IEC 62368-1組件要求,當它們用於保護可插拔A型設備電源端口時(見圖1)。IEC 62368-1將可插拔A型設備分類為具有不可靠的接地/接地連接,除非對本地保護接地(PE)進行特殊的直接連接。為了防止AC電源和PE之間連接的任何電源端口MOV發生故障,GDT必須與這些MOV串聯。

另一個危險是MOV失效成為潛在點火源(PIS)的可能性。IEC 62368-1第G.8條中的許多AC測試旨在使MOV過載而導致故障,以確定故障是否是無害的。

交流電源值
通常,設備設計適用於120 V或230 V標稱交流電源,或適用於100 V ac至250 V ac的範圍。設備交流電源額定值對MOV和GDT電壓要求有直接影響。IEC 62368-1表I.1 - 連接到建築物布線的可插拔信息技術設備(ITE)的II類過電壓類別,分配和過電壓類別。表12 - 主電源瞬態電壓表明,過電壓類別II的120 V交流電壓瞬態峰值電壓為1.5 kV,230 V交流電壓為2.5 kV。GDT選擇需要這些值。
GDT基本絕緣要求
人們可能有理由相信GDT絕緣要求是在最高預期的交流電源電壓的峰值處不會產生火花,但這是不正確的。GDT必須滿足電氣強度試驗的要求,提供基本絕緣,如5.4.9.1 固體絕緣,5.4.2 外部間隙和5.4.3 爬電距離所示。GDT通常不會遇到滿足間隙和爬電距離要求的問題,但滿足固體絕緣要求會產生標準製定時似乎沒有預料到的後果。
第5.4.9.1條,固體絕緣,是一種三向選擇。必須從表25 瞬態電壓中選擇合適的測試電壓值,表26 工作電壓峰值和重複峰值電壓以及表27 臨時過電壓。所有三個電壓的最高峰值變為GDT測試電壓,其作為峰值AC或DC電壓施加。
例如,120 V AC電源導致測試電壓值為1.5 kV峰值(過壓類別II),243 V峰值和2 kV峰值。同樣,230 V AC電源的測試電壓值為2.5 kV峰值(過壓類別II),465 V峰值和2.5 kV峰值。對於120 V ac,表27具有2 kV dc或1.41 kV ac的最高電壓測試值,表25和27在2.5 kV dc時相等,對於230 V ac則為1.77 kV ac。
例如,120 V AC電源導致測試電壓值為1.5 kV峰值(過壓類別II),243 V峰值和2 kV峰值。同樣,230 V AC電源的測試電壓值為2.5 kV峰值(過壓類別II),465 V峰值和2.5 kV峰值。對於120 V ac,表27具有2 kV dc或1.41 kV ac的最高電壓測試值,表25和27在2.5 kV dc時相等,對於230 V ac則為1.77 kV ac。
在施加測試電壓期間,不存在絕緣擊穿(也稱為GDT的火花放電)。將由測試電壓設置的最小GDT火花放電電壓更改為標稱火花放電電壓值,可為120 V交流電壓提供2.5 kV GDT,為230 V交流電壓提供3 kV電壓。將這些GDT與連接在交流電源和PE之間的MOV串聯添加意味著在低於1.41 kV ac或1.77 kV ac的電壓水平下不能傳導或保護,具體取決於交流電源電壓。
因此,設計人員可能被迫大大增加設備中的固有絕緣耐受電壓,因為它必須高於這些AC / DC測試條件,並且因為3kV GDT可能在4kV下衝擊脈衝電壓。采用這種方法將有助於進行後期製造高壓鍋測試。
因此,設計人員可能被迫大大增加設備中的固有絕緣耐受電壓,因為它必須高於這些AC / DC測試條件,並且因為3kV GDT可能在4kV下衝擊脈衝電壓。采用這種方法將有助於進行後期製造高壓鍋測試。

規範性參考文獻
在IEC 62368-1中部分或全部引用並列為規範的文件構成了標準的要求。理想情況下,人們可以擁有所有規範性文件的副本,以完全實現要求標準。當規範性文件的要求與標準本身的文本或兩者相互衝突時,就會出現問題。在標準中,存在由規範性參考文獻IEC 61051-2 / AMD1引起的衝突,電子設備用壓敏電阻 - 第2部分:浪湧抑製壓敏電阻分規範和IEC 61643-331,低壓浪湧保護裝置部件 - 部分331:金屬氧化物壓敏電阻(MOV)的性能要求和試驗方法。要解決這種情況,需要進行解釋,如以下各節所述。(請注意,除非解釋來自創建標準的IEC小組,否則您必須自己評估任何解釋對您自己情況的適用性。)
MOV或串聯MOV和GDT要求
條款G.8,壓敏電阻,有四個子條款,包含MOV要求,這些在下麵的章節中進行了檢查。一些子條款僅適用於MOV,而其他子條款也適用於連接MOV和GDT的係列。
一般要求(G.8.1)
本節提供了兩種不同規範標準(IEC 61051-2或IEC 61643-331)中選定的MOV氣候類別之間的選擇。替代值在兩個標準中都可以使用,因為標準是規範性的。所選的IEC 61051-2氣候值與IEC 60950-1的附錄Q,電壓相關電阻(VDR)中的值相同。
在最大連續工作電壓(MCOV)下,提供的選擇令人困惑。MCOV必須至少為設備額定電壓的1.25倍,或至少為設備額定電壓範圍的上限電壓的1.25倍。對於標稱額定值為230 V ac的設備,最小MCOV為288 V ac。但是,對於額定電壓範圍為100 V ac至250 V ac的設備,最小MCOV為313 V ac。在這裏和其他地方,這會對額定範圍的設備造成不利影響。
問題是參考電壓可以具有兩個不同的值。通過將標稱230 V交流值增加10%(許多歐洲國家的最大230 V交流限製),然後乘以標稱額定值的1.1倍或額定電壓的高電壓,可以實現這兩種方法之間更大的一致性範圍為1.14倍。
問題是參考電壓可以具有兩個不同的值。通過將標稱230 V交流值增加10%(許多歐洲國家的最大230 V交流限製),然後乘以標稱額定值的1.1倍或額定電壓的高電壓,可以實現這兩種方法之間更大的一致性範圍為1.14倍。
通過使用1.2 / 50-8 / 20組合波發生器(CWG)施加10個正浪湧或10個負浪湧來驗證MOV的浪湧電流能力。表12- 主電源瞬態電壓參考電壓選擇,但這可以通過300 V ac以下的任何交流電源被視為300 V交流電源的說法來抵消。這意味著120 V ac和230 V ac都具有相同的2.5 kV過壓II類電壓。
標準IEC 61051-2具有表12的縮減版本,其交流電源電壓高達300 V ac,高達600 V ac,過壓類別I至III。對於II類過壓和高達300 V ac,CWG設置為2.5 kV / 1.25 kA。這似乎定義了測試值,但是下麵的IEC 62368-1文本進一步混淆了一些事情,說明為了測試表12的過電壓類別IV,CWG設置為6 kV / 3 kA。
這裏沒有使用“應該”一詞,這將使它成為強製性要求,那麼它意味著什麼呢?可能的話,這個陳述誇大了IEC 60950-1附錄Q中提出的值,該值要求CWG測試電平為6 kV / 3 kA(比過電壓類別II級高2.4倍)。允許使用IEC 61051-2或IEC 61643-331的替代浪湧測試,如果選擇IEC 61051-2,它將支持過壓類別II驗證。G.8.1的其餘部分涉及組件體可燃性。
這裏沒有使用“應該”一詞,這將使它成為強製性要求,那麼它意味著什麼呢?可能的話,這個陳述誇大了IEC 60950-1附錄Q中提出的值,該值要求CWG測試電平為6 kV / 3 kA(比過電壓類別II級高2.4倍)。允許使用IEC 61051-2或IEC 61643-331的替代浪湧測試,如果選擇IEC 61051-2,它將支持過壓類別II驗證。G.8.1的其餘部分涉及組件體可燃性。
一般防火措施(G.8.2.1)
本條款強調MOV應視為PIS,並應采取措施降低點火的可能性並防止火勢蔓延。
壓敏電阻過載測試(G.8.2.2)
該交流階躍壓力測試適用於MOV或過電壓保護電路,該電路包含MOV,該MOV連接在交流電源(L至N),線路與保護接地(L至PE)或中性線至保護接地(N至PE)。測試的概念是逐步增加MOV中的功率直到它失效。通過標準是在測試期間或之後不應有任何危險事件。使用的測試電壓基於V r的值,其被定義為設備標稱AC電壓或範圍AC電壓的上限。
圖2所示的測試電路通過電阻器R X和測試開關SW 向MOV或過壓保護電路施加2 x V r 的交流電壓源。電阻器R X 定義了預期的短路電流。第一級預期交流電壓為0.125 A.應用測試直到監測電流降至零或發生溫度穩定。隨後的測試步驟將R減半 x值使每次新測試的電流加倍,例如0.25 A,0.5 A,1 A,2 A,4 A等。測試在電路打開時終止。
測試說明在測試期間,電流或溫度限製器的操作將停止電流,並且電流可能由於GDT的操作而開始。如果第二個注釋涉及保護電路GDT,則不會發生這種情況,因為如前所述,所需的GDT電壓超過2kV。
測試說明在測試期間,電流或溫度限製器的操作將停止電流,並且電流可能由於GDT的操作而開始。如果第二個注釋涉及保護電路GDT,則不會發生這種情況,因為如前所述,所需的GDT電壓超過2kV。

交流步進應力測試電路 圖
如上所述,測試有兩個缺點。發生故障事件時,測試會停止,例如斷路器操作。因此,斷開機構不在較高的斷開電流水平下進行測試,其中可能存在大量的操作滯後時間並且電流可能超過斷路器能力。2 x V r的電壓源限製了電路引起MOV故障的能力。選擇MCOV> 2x V r的MOV 意味著永遠不會有任何實質的電流傳導,並且測試變得無關緊要。
IEC 62368-1,表G.10通過聲明如果MCOV> 2x V r則不需要測試來承認這一點,為了測試單個MOV,2 x MCOV的源電壓將確保MOV可以運行失敗。如前所述,保護電路GDT的擊穿電壓將阻止電流流動,使得測試無關緊要。
IEC 62368-1,表G.10通過聲明如果MCOV> 2x V r則不需要測試來承認這一點,為了測試單個MOV,2 x MCOV的源電壓將確保MOV可以運行失敗。如前所述,保護電路GDT的擊穿電壓將阻止電流流動,使得測試無關緊要。
像G.8.2.2這樣的測試已經導致了熱保護MOV的產生,MOV是一種包含MOV和熱操作斷開器的混合部件。熱斷開可防止MOV過度過熱並成為危險品。圖3顯示了熱保護MOV的示例特性。熱保護MOV主要用於連接交流電源,當MOV與高壓GDT串聯時不需要。

斷開預期電流與工作時間特性的示例 圖
臨時過電壓測試(G.8.2.3-使用IEC 61643-11 8.3.8.1和8.3.8.2測試電路)
對於臨時過電壓(TOV)測試,使用符合IEC 61643-11標準的測試電路。這些測試適用於保護電路,該保護電路包含MOV連接線到保護接地(L到PE),或中性到保護接地(N到PE)。請注意,沒有對交流電源(L到N)端子進行測試。AC電源分配係統和電壓的全球變化使得難以清楚地表達對TOV測試的單一,通用的解釋,因此該描述限於從單相TN-S分配係統提供的120V ac和230V ac電源。
在開始TOV測試之前,保護電路必須使用G.8.1中規定的CWG浪湧進行預處理(IEC 62368-1:2018說G.8.2,但這是不正確的!)。然而,由於高壓GDT火花放電電壓要求,CWG 2.5 kV過電壓II類測試可能無關緊要,因為GDT可能不會產生火花。同樣,以下TOV測試都不會導致保護電路導通,因為施加的電壓小於GDT火花放電電壓。
IEC 61643-11,8.3.8.1,低壓係統TOV故障,適用於TN,TT和IT係統。在圖4中,U REF電壓源代表最高的預期連續交流電源電壓,在IEC 61643-11,附錄A中定義。對於120 V ac和230 V ac,U REF值為132 V ac和255 V ac分別。所述ü TOV電壓源表示在IEC 61643-11,附錄B,表B.1中定義的TOV條件。
TOV測試時間為5秒和120分鍾,5秒U TOV電壓為1.32× U REF,120分鍾U TOV電壓為1.73× U REF。對於120 V ac和230 V ac,U TOV電壓為174 V ac,337 s ac為5 s TOV,229 V ac和442 V ac為120 min TOV。測試要求保護電路必須能夠承受5 s TOV條件,但允許在120 min TOV條件下出現無危險故障。來自電壓源的預期短路電流由電阻器R REF(125 A短路電流)和R TOV(MOV電壓> 0.95 U TOV峰值)控製。
TOV測試時間為5秒和120分鍾,5秒U TOV電壓為1.32× U REF,120分鍾U TOV電壓為1.73× U REF。對於120 V ac和230 V ac,U TOV電壓為174 V ac,337 s ac為5 s TOV,229 V ac和442 V ac為120 min TOV。測試要求保護電路必須能夠承受5 s TOV條件,但允許在120 min TOV條件下出現無危險故障。來自電壓源的預期短路電流由電阻器R REF(125 A短路電流)和R TOV(MOV電壓> 0.95 U TOV峰值)控製。

低壓係統TOV故障情況的示例測試電路 圖
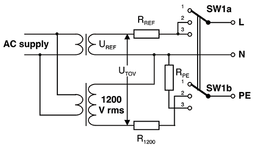
IEC 61643-11,第8.3.8.2條,高(中)電壓係統TOV故障,僅適用於TT和IT係統,因為它不能在TN係統中發生。因此,以下描述僅用於信息目的。在圖5中,1200 V均方根電壓源代表IEC 61643-11附錄B中定義的TOV條件。與保護電路一起使用0.2 s的TOV測試時間,連接到PE和L或N端子。
保護電路可以承受這種情況或表現出非危險的故障。基本上,圖5測試電路在AC主電源和PE之間插入1200 V rms TOV 0.2 s(SW1位置2),之後PE通過放電電阻R PE連接到中性點。(SW1位置3)。來自電壓源的預期短路電流由電阻器R REF(125 A短路)和R 1200(300 A短路)控製。
保護電路可以承受這種情況或表現出非危險的故障。基本上,圖5測試電路在AC主電源和PE之間插入1200 V rms TOV 0.2 s(SW1位置2),之後PE通過放電電阻R PE連接到中性點。(SW1位置3)。來自電壓源的預期短路電流由電阻器R REF(125 A短路)和R 1200(300 A短路)控製。

TT高壓係統TOV故障情況的示例測試電路 圖
設計實例
以下示例針對被認為具有不可靠PE連接的A類可插拔設備,從而需要連接到PE的串聯MOV和GDT電路。
兩端保護
在這個例子中,單獨的兩個終端保護直接應用於L到N,L到PE和N到PE(圖6)。

單個雙端子保護示例 圖
標準MOV可用於MOV2a和MOV2b,因為這些MOV串聯高壓GDT和G.8.2.2,壓敏電阻過載,G.8.2.3,TOV測試是良性的。MOV1保護L到N端子對。要將標準MOV用於MOV1,MCOV需要高於交流電源的兩倍
從G.8.2.2測試中排除的電壓,並且對於L到N端子對沒有任何G.8.2.3測試。對於230 V rms交流電源,MCOV> 500 V rms和120 V rms交流電源,MCOV> 265 V rms。對於較低的MCOV值,L至N端子對G.8.2.2測試可能意味著需要使用受熱保護的MOV。
三端保護
在此示例中,共享保護用於L到N,L到PE和N到PE(圖7)。

三端子保護電路的示例 圖
L至PE和N至PE端子分別由串聯MOV1a和GDT電路以及串聯MOV1b和GDT電路保護。標準MOV適用於L至PE和N至PE條件,因為串聯MOV和GDT組合不包括在G.8.2.2,壓敏電阻過載,測試中。
MOV1a和MOV1b串聯保護L到N端子對。在這種情況下,假設兩個MOV相同,則MOV MCOV需要高於交流電源電壓,以排除G.8.2.2,壓敏電阻過載,允許使用標準MOV的測試。對於230 V rms交流電源,這使得MCOV> 255 V rms,對於120 V rms交流電源,MCOV> 132 V rms。
單一故障條件
需要考慮可能的無源元件的短路或斷開。重要的是要注意,這不適用於GDT係列等組件,作為符合附錄G相關要求的安全措施。在圖7中,MOV1a和MOV1b串聯在交流電源上,所以如果發生一個短路並且單個MOV上出現完整的交流電源電壓?考慮到這種單一故障條件,高電源230 V ac / 120 V交流MOV MCOV值分別增加到MCOV> 255 V rms和MCOV> 132 V rms。對於MCOV值在交流電源電壓的100%至63%範圍內的MOV,L至N端子對G.8.2.2測試可能需要熱保護MOV,除非存在防火外殼。
摘要
對於大多數可插拔設備類型A,IEC 62368-1規定的GDT係列高壓耐壓要求無需測試保護電路至G.8.2.2,壓敏電阻過載和G.8.2.3,TOV,測試是無關緊要的。在製定標準時,很難相信沒有電應力測試或固有設備絕緣耐壓增加的結果。標準MOV可用於L至PE和N至PE保護電路。L / N保護可以使用標準MOV或MOV,前提是總MOV MCOV> 2 x AC主電源電壓,或者使用熱保護MOV來降低MCOV。
